توضیحات
| Features EN/فا | ||
|---|---|---|
| Data Rate | 12 Mb/s | |
| Function | Bridge, USB to UART | |
| Speed Compatible | Full Speed | |
| Standard | USB 2.0 | |
| Interface Type | UART | |
| Type | Bridge, USB to UART | |
| Mounting Style | SMD/SMT | |
| Supply Voltage (Min) | 4.35 V | |
| Supply Voltage (Max) | 5.25 V | |
| Minimum Operating Temperature | 0 C° | |
| Maximum Operating Temperature | +70 C° | |
| Brand | FTDI Chip | |
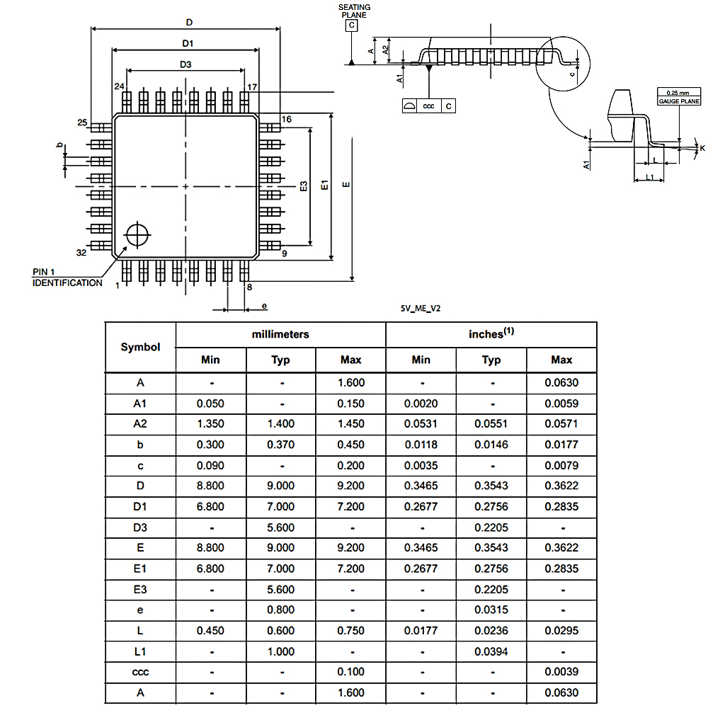
| Package | LQFP-32 | |










نقد و بررسیها
هنوز بررسیای ثبت نشده است.